首頁
關于我們
産(chǎn)品展示
新聞資訊(xun)
公司新聞
行業新(xīn)聞
信息公示
招賢(xian)納士
聯系我們
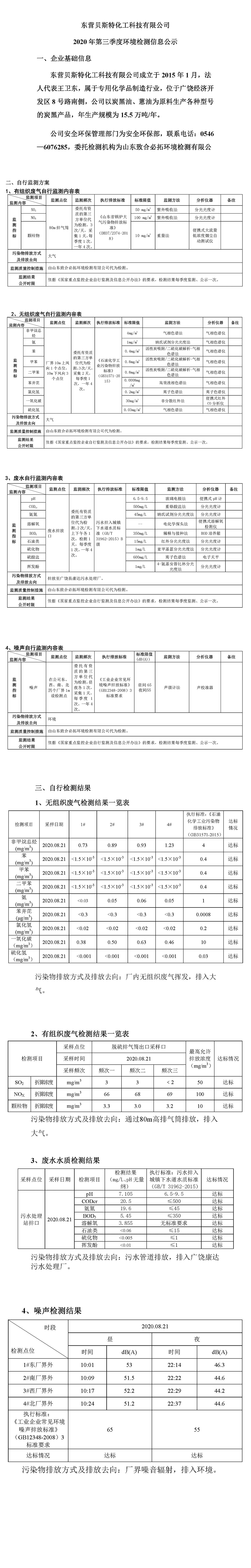
2020年(nián)第三季度環境公(gong)示
2025-12-14
上一篇:土壤信(xin)息公示
下一篇:公(gong)司年産2萬噸特種(zhǒng)工業炭黑項目環(huán)境影🧑🏾🤝🧑🏼響評價第一(yi)次公示
总 公 司
急 速 版
WAP 站(zhàn)
H5 版
无线端
AI 智能
3G 站(zhàn)
4G 站
5G 站
6G 站